Cột đèn tín hiệu giao thông, hay còn gọi là cột đèn giao thông, là thiết bị không thể thiếu tại các ngã tư, ngã ba đường phố. Chúng đóng vai trò quan trọng trong việc điều tiết giao thông, đảm bảo an toàn cho người tham gia giao thông và góp phần xây dựng văn hóa giao thông.
Yêu cầu kỹ thuật cột đèn tín hiệu giao thông
- Sai lệch độ thẳng thân cột ±0,5%
- Sai lệch chiều cao cột ±0,5%
- Cột được hàn dọc theo 1 đường sinh trên suốt chiều dài, không được hàn nối ngang thân trụ.
- Trụ được hàn trong môi trường có khí CO2 bảo vệ, mối hàn phải ngẫu chắc, không rổ, không nứt.
- Áp lực gió tính toán 125kg/m², tương đương vận tốc gió 160km/h ≈ 45m/s\
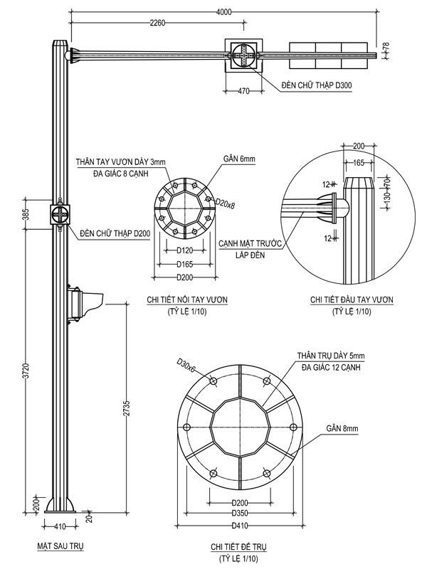
Bản vẽ cột đèn tín hiệu giao thông cao 6,2m, tay vươn 4m


Trụ cao 6,2mx5mm, chấn đa giác 12 cạnh
– Đường kính đáy D200 (kẹp góc)
– Đường kính ngọn D200 (kẹp góc)
– Mặt bích đế 410x20mm (tim 350x350mm)
– Đế hàn 6 gân tăng cường dày 8mm
Tay vươn 4mx3mm, chấn bát giác 8 cạnh
– Đường kính đáy D120 (kẹp góc)
– Đường kính ngọn D78 (kẹp góc)
– Mặt bích đế 200x12mm (tim 165x165mm)
– Đế hàn 8 gân tăng cường dày 6mm
Sau khi gia công nhúng kẽm nóng
Đặc điểm kỹ thuật cột đèn giao thông
- Cột đèn tín hiệu giao thông cao 6,2m, tay vươn từ 3 mét đến 12 mét mét bằng thép, vật liệu để chế tạo trụ phù hợp với các yêu cầu của tiêu chuẩn JIS G3101 (SS400) được kiểm tra lại bởi trung tâm III.
- Trụ đèn được bảo vệ chống oxi hóa bằng nhúng kẽm nóng phù hợp tiêu chuẩn BS729, ASTM A 123. Ngoài ra sau khi bảo vệ nhúng kẽm nóng, trụ đèn có thể sơn tĩnh điện với màu sắc theo yêu cầu khách hàng.
- Đèn tín hiệu giao thông có thể hoạt động tự động theo chương trình cài đặt sẵn trong tủ điều khiển hoặc hoạt động theo các chế độ do cảnh sát giao thông điều khiển

Lắp đặt trụ đèn tín hiệu giao thông
- Cột đèn tín hiệu giao thông được dựng trên một móng bê tông cốt thép và giữ chặt bằng các bu lông neo.
Ứng Dụng Cột Đèn Tín Hiệu Giao Thông Cao 6m2 Vươn 4m
- Cột đèn tín hiệu giao thông xanh vàng đỏ dùng để điều khiển giao thông ở những giao lộ có lượng phương tiện lưu thông lớn (thường là ngã ba, ngã tư đông xe qua lại)
- Mẫu trụ đèn THGT kết hợp tay vươn thích hợp dùng cho đường rộng, có nhiều làn đường, lắp nhiều đèn THGT.
Các loại trụ đèn tín hiệu giao thông phổ biến:
- Trụ đèn tín hiệu giao thông cơ bản: Loại trụ đèn này có ba đèn tín hiệu: đỏ, vàng và xanh. Đèn đỏ báo hiệu dừng lại, đèn vàng báo hiệu chuẩn bị di chuyển và đèn xanh báo hiệu di chuyển.
- Trụ đèn tín hiệu giao thông có đèn dành cho người đi bộ: Loại trụ đèn này có thêm đèn dành cho người đi bộ, báo hiệu thời gian an toàn để người đi bộ qua đường.
- Trụ đèn tín hiệu giao thông thông minh: Loại trụ đèn này được tích hợp các công nghệ tiên tiến như camera, cảm biến, v.v. để điều chỉnh thời gian đèn tín hiệu phù hợp với lưu lượng phương tiện và người tham gia giao thông thực tế.
Công Ty Nam Phát – Cung cấp giải pháp chiếu sáng ngoài trời
Công Ty Nam Phát là nhà sản xuất và cung cấp uy tín các sản phẩm trụ đèn chiếu sáng, đèn đường LED và các giải pháp chiếu sáng ngoài trời tại Việt Nam. Với hơn nhiều năm kinh nghiệm trong ngành, chúng tôi luôn mang đến cho khách hàng những sản phẩm chất lượng cao, giá cả cạnh tranh cùng dịch vụ chuyên nghiệp, tận tâm.
Sản phẩm của chúng tôi:
Trụ đèn chiếu sáng: Đa dạng mẫu mã, chất liệu (thép, nhôm, bê tông, composite) và chiều cao, đáp ứng mọi nhu cầu chiếu sáng từ đô thị đến khu dân cư, khu công nghiệp.
Đèn đường LED: Ứng dụng chip LED hiện đại, tiết kiệm điện năng, độ sáng vượt trội và tuổi thọ bền bỉ.
Giải pháp chiếu sáng ngoài trời: Tư vấn, thiết kế và thi công hệ thống chiếu sáng cho đường phố, sân vườn, công viên, sân vận động và nhiều công trình khác.
Công Ty Nam Phát cam kết:
Sản phẩm chất lượng cao: Sản xuất trên dây chuyền hiện đại, kiểm định nghiêm ngặt, đầy đủ chứng nhận ISO và các tiêu chuẩn liên quan.
Giá cả cạnh tranh: Cung cấp sản phẩm với mức giá hợp lý, tối ưu chi phí cho khách hàng.
Dịch vụ chuyên nghiệp: Đội ngũ tư vấn tận tình, hỗ trợ kỹ thuật nhanh chóng và chu đáo.
Với phương châm “Uy tín – Chất lượng – Hiệu quả”, Công Ty Nam Phát không ngừng nỗ lực mang đến những giải pháp chiếu sáng tối ưu và bền vững cho mọi công trình. Liên hệ ngay với chúng tôi để được tư vấn miễn phí!
ĐÁNH GIÁ SẢN PHẨM